上一产品:WD-机床导轨刮屑板
下一产品:S85系列机床调整垫铁(重型)
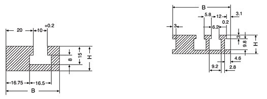
详细介绍
|
||||||||||||||||||||||||||||||
相关新闻
备注:如果此产品不能满足您的要求,特推相关荐以下产品:
友情链接:测斜仪
|
地址:沧州市新华区铁中路7号 联系人:李经理 电话:0317-7625166 手机:13932795398 传真:0317-7625166 邮箱:czliweizhong@163.com |
苏州办事处 地址:苏州市平江区苏锦一村 手机:13584850043 邮箱:szyuchunying@163.com 冀ICP备18003291号-1 |
版权所有 沧州威达机床附件制造有限公司