WD矩形金属软管
作者:网站管理员
来源: 本站原创日期:2014-09-01 08:36:12
点击:2961
属于:矩形金属软管
详细介绍
|

|

|
|
结构与用途
矩形金属软管采用全金属结构。该产品符合JB/GQ058285 企业联合标准.适应于各类金属切屑机床及切割机床。防止高热铁屑对您供电、水、汽线路的损伤.保护劳动安全。
选形
1.注明规格与型号如下所示:
A×B×L -装配形式:L-软管长度,包括联接器装配.形式见软管装配形式图:I~IX
2 特殊接头形式:a-c ;
例:25×50×1200-I 、25×50×1200 -AB
III
|
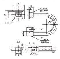
软管接头尺寸图

|
|
注:1.水平放置时下方应设置具有足够长度的拖板。
2.水平放置时允许选用招出表中规定的长度,但建议在适当的位置上设计滚动支承点,以防软管下弯。
|
|
接头尺寸及规格参数表
|
内径
A×B
|
外径
C×D
|
E
|
F
|
G
|
H
|
I
|
L
|
J
|
K
|
N
|
P
|
S
|
X
|
T
|
φ
|
R
|
轴向拉力 (kg)
|
重量(kg/m)
|
|
20×30
|
20×35
|
38
|
18
|
25
|
22
|
10
|
23
|
45
|
20
|
40
|
75
|
60
|
55
|
38
|
5.5
|
60
|
35
|
1.3
|
|
25×50
|
30×55
|
58
|
30
|
35
|
25
|
10
|
33
|
60
|
25
|
5O
|
900
|
75
|
60
|
45
|
55
|
90
|
40
|
1.75
|
|
35×60
|
40×65
|
69
|
40
|
45
|
25
|
10
|
44
|
70
|
30
|
5O
|
100
|
80
|
70
|
52
|
5.5
|
100
|
50
|
2.1
|
|
38×73
|
43×78
|
82
|
50
|
55
|
35
|
10
|
47
|
75
|
35
|
50
|
105
|
85
|
82
|
62
|
6.5
|
110
|
60
|
2.36
|
|
40×80
|
45×85
|
89
|
50
|
65
|
50
|
15
|
49
|
90
|
40
|
55
|
120
|
100
|
90
|
68
|
8.5
|
120
|
70
|
2.5
|
|
52×102
|
57×107
|
113
|
65
|
80
|
50
|
15
|
63
|
105
|
45
|
60
|
140
|
120
|
100
|
8O
|
8.5
|
140
|
75
|
2.85
|
|
60×120
|
68×128
|
131
|
90
|
90
|
80
|
20
|
71
|
135
|
45
|
70
|
170
|
146
|
1
10
|
84
|
9
|
180
|
80
|
3.15
|
|
60×130
|
68×138
|
141
|
95
|
100
|
90
|
20
|
71
|
140
|
50
|
75
|
180
|
150
|
120
|
90
|
9
|
180
|
80
|
3.25
|
|
72×162
|
82×170
|
184
|
120
|
120
|
100
|
20
|
82
|
150
|
60
|
80
|
210
|
180
|
130
|
100
|
9
|
210
|
80
|
4.5
|
|
100×165
|
110×175
|
179
|
100
|
130
|
110
|
25
|
115
|
160
|
65
|
85
|
219
|
200
|
155
|
135
|
10
|
200
|
85
|
5.1
|
|
|
|
|
备注:如果此产品不能满足您的要求,特推相关荐以下产品: